Versione italiana o inglese della scheda 

 

Salva foto in alta risoluzione

   

 Stampa la scheda
 Invia la scheda

 Apri la pagina del catalogo
 Vai ai prodotti di pag. 706

Prodotto precedente Prodotto precedente
Prodotto successivo Prodotto successivo

2834GB  

Prod. SCU - Orig. AMF

 

ELEMENTI DI FISSAGGIO RAPIDO IN ACCIAIO INOSSIDABILE

INOX clamping devices

Dispositivi di serraggio sicuri e costanti di elevata qualità. Funzionamento a doppia leva, che non permette lo sganciamento in fase di tenuta. In acciaio inossidabile con impugnatura resistente agli olii e agli acidi, con bussole di supporto temprate e rettificate. Completi di vite e puntale in resistente gomma dura. Indicati per industrie chimiche, alimentari, dove occorrono speciali condizioni igieniche, dove l’utilizzo è critico a causa delle sfavorevoli condizioni climatiche, dove si utilizzano liquidi di raffreddamento particolarmente aggressivi. Forza min. e max (F1-F2) espressa in Newton (N).

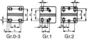
Tipo orizzontale, base piana.

 Aggiungi al carrello  

NoteCod. Art.Cad.Cod. Prod.Grandezza
Forza min F1
N
Forza max F2
N
Ingombro verticale chiuso
mm
Ingombro orizzont. chiuso
mm
Dimensioni del pressore
mm
Peso
grammi
GiacenzaPeso ArtQTAMIN
2834GB 0€ 64,10 02504002285M 4x2535100,0350
2834GB 1€ 90,10 1800110030130M 5x30105220,1050
2834GB 2€ 101,00 21000120044176M 6x3518580,1850
2834GB 3€ 124,00 31800250048221M 8x45320200,320