Versione italiana o inglese della scheda 

 

Salva foto in alta risoluzione

   

 Stampa la scheda
 Invia la scheda

 Apri la pagina del catalogo
 Vai ai prodotti di pag. 692

Prodotto precedente Prodotto precedente
Prodotto successivo Prodotto successivo

2812V  

Prod. SCU

 

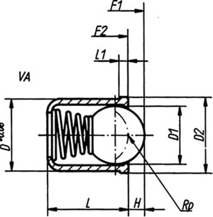
PRESSORI A MOLLA LISCI

smooth spring plungers

Tipo a corpo liscio, con sfera. In acciaio inossidabile. Sfera temprata. Tolleranza sul Ø D:+0,08.

 Aggiungi al carrello  

NoteCod. Art.Cad.Cod. Prod.Corpo Ø D
mm
Forza min F1
N
Forza max F2
N
Ø sfera D1
mm
Ø tot. est. D2
mm
Lungh. pressore L
mm
Sporgenza sfera H
mm
Peso c.ca
grammi
GiacenzaPeso ArtQTAMIN
2812V 4€ 1,90 43734,650,80,34780,0010
2812V 5€ 1,92 54745,6610,61590,0010
2812V 6€ 2,02 661256,571,511000,0010
2812V 8€ 2,40 86126,58,591,823960,0020